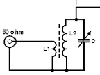
Od opatentowania w 1928 r. przez OE1JF nowej anteny, konstrukcja Fuchsa ze względu na swoją prostotę, łatwość wykonania i niską cenę cieszy się wciąż dużym zainteresowaniem.

Nie jest to antena przeznaczona dla "wyczynowców", ale jeśli stworzymy jej warunki do właściwego zamknięcia obwodu w.cz. może nas pozytywnie zaskoczyć swoją skutecznością.
Pełny tekst artykułu znajdziecie w numerze ŚR 02/2019.